Principles Characteristics
Adjustable liquid expansion temperature switch, compact IP40 protection design, micro control switch that can be rotated. A reliable temperature control with a setting range up to 210°C. Provide complete temperature switch package.
High precision
simple design
low lag
easy to install
Temperature switches NC10can meet the different requirements for temperature control in hydraulic, lubricating and traditional systems. They are used to detect whether the temperature exceeds the maximum or minimum limit
Technical Parameters
adjustable range hysteresis Maximum temperature Serial number
0-90 4±1K 130 90
40-210 9±2K 250 210
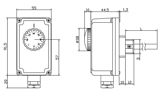
Size Chart(mm)

Wiring diagram
